欢迎浏览济南能华机电设备有限公司网站,公司是一家电源设备厂家,品质保障,欢迎咨询!

返回列表页

蓄电池充电电源(直流电源原理图)

点击上方蓝字,关注我们

今天为大家搜罗了稳压电源、DC-DC电源、开关电源、充电电路、恒流源相关的经典电路资料,为工程师提供最新鲜的电路图参考资料,电子工程师必看、必学,是电子工程师的智慧锦囊。

一、稳压电源

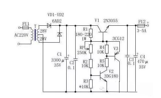
1、3~25V电压可调稳压电路图

此稳压电源可调范围在3.5V~25V之间任意调节,输出电流大,并采用可调稳压管式电路,从而得到满意平稳的输出电压。

工作原理: 经整流滤波后直流电压由R1提供给调整管的基极,使调整管导通,在V1导通时电压经过RP、R2使V2导通,接着V3也导通,这 时V1、V2、 V3的发射极和集电极电压不再变化(其作用完全与稳压管一样)。调节RP,可得到平稳的输出电压,R1、RP、R2与R3比值决定本电路输出的电压值。

2、10A3~15V稳压可调电源电路图

无论检修电脑还是电子制作都离不开稳压电源,下面介绍一款直流电压从3V到15V连续可调的稳压电源,最大电流可达10A,该电路用了具有温度补偿特性的,高精度的标准电压源集成电路TL431,使稳压精度更高,如果没有特殊要求,基本能满足正常维修使用,电路见下图。

二、开关电源

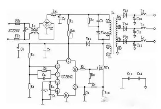
1、PWM开关电源集成控制IC-UC3842工作原理

UC3842工作原理

下图为UC3842 内部框图和引脚图,UC3842 采用固定工作频率脉冲宽度可控调制方式,共有8 个引脚,各脚功能如下:

①脚是误差放大器的输出端,外接阻容元件用于改善误差放大器的增益和频率特性;

②脚是反馈电压输入端,此脚电压与误差放大器同相端 的2.5V 基准电压进行比较,产生误差电压,从而控制脉冲宽度;

③脚为电流检测输入端, 当检测电压超过1V时缩小脉冲宽度使电源处于间歇工作状态;

④脚为定时端,内部振荡器的工作频率由外接的阻容时间常数决 定,f=1.8/(RT×CT);

⑤脚为公共地端;

⑥脚为推挽输出端,内部为图腾柱式,上升、下降时间仅为50ns 驱动能力为±1A ;

⑦脚是直流电源供电端,具有欠、过压锁定功能,芯片功耗为15mW;

⑧脚为5V 基准电压输出端,有50mA 的负载能力。

UC3842 内部原理框图

UC3842是一种性能优异、应用广泛、结构较简单的PWM开关电源集成控制器,由于它只有一个输出端,所以主要用于音端控制的开关电源。

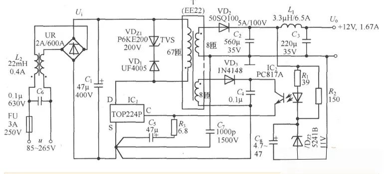
2、TOP224P构成的12V、20W开关直流稳压电源电路

由TOP224P构成的 12V、20W开关直流稳压电源电路如图所示。电路中使用两片集成电路:TOP224P 型三端单片开关电源(IC1),PC817A型线性光耦合器 (IC2)。

交流电源经过UR和Cl整流滤波后产生直流高压Ui,给高频变压器T的一次绕组供电。VDz1和VD1能将漏感产生的尖峰电压钳位到安全值, 并能衰减振铃电压。VDz1采用反向击穿电压为200V的P6KE200型瞬态电压抑制器,VDl选用1A/600V的UF4005型超快恢复二极管。

二次绕组电压通过V砬、C2、Ll和C3整流滤波,获得12V输出电压Uo。Uo值是由VDz2稳定电压Uz2、光耦中LED的正向压降UF、R1上的压降 这三者之和来设定的。改变高频变压器的匝数比和VDz2的稳压值,还可获得其他输出电压值。R2和VDz2五还为12V输出提供一个假负载,用以提高轻载 时的负载调整率。反馈绕组电压经VD3和C4整流滤波后,供给TOP224P所需偏压。

本电源主要技术指标如下:

交流输人电压范围:u=85~265V;

输入电网频率:fLl=47~440Hz;

输出电压(Io=1.67A):Uo=12V;

最大输出电流:IOM=1.67A;

连续输出功率:Po=20W(TA=25℃,或15W(TA=50℃);

电压调整率:η=78%;

输出纹波电压的最大值:±60mV;

工作温度范围:TA=0~50℃。 三、DC-DC电源

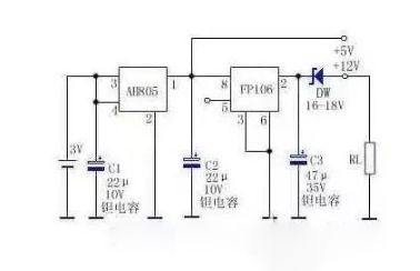
1、3V转+5V、+12V的电路图

由电池供电的便携式电子产品一般都采用低电源电压,这样可减少电池数量,达到减小产品尺寸及重量的目的,故一般常用3~5V作为工作电压, 为保证电路工作的稳定性及精度,要求采用稳压电源供电。

若电路采用5V工作电压,但另需一个较高的工作电压,这往往使设计者为难。本文介绍一种采用两块升 压模块组成的电路可解决这一难题,并且只要两节电池供电。

该电路的特点是外围元件少、尺寸小、重量轻、输出+5V、+12V都是稳定的,满足便携式电子产品的要求。+5V电源可输出60mA,+12V电源最大输出电流为5mA。

该电路如上图所示。它由AH805升压模块及FP106升压模块组成。AH805是一种输入1.2~3V,输出5V的升压模块,在3V供电 时可输出 100mA电流。FP106是贴片式升压模块,输入4~6V,输出固定电压为29±1V,输出电流可达40mA,AH805及FP106都是一个电平控制 的关闭电源控制端。

分内容来源于网络,版权归原作者所有。如涉及版权或对版权有所疑问,请第一时间与我们联系,感谢。

 加入粉丝交流群 

张飞实战电子为公众号的各位粉丝,开通了专属学习交流群,想要加群学习讨论/领取文档资料的同学都可以扫描图中运营二维码一键加入哦~ 

(广告、同行勿入)

关于我们

济南能华机电设备有限公司

    济南能华机电设备有限公司是一家专业从事直流稳压电源、逆变电源、脉冲电源、高压电源、电力通信电源、开关电源、远供电源、充电机、程控变频电源、程控直流电源、大电流恒流源、码头岸电电源、军工电源、电力测试电源测试系统的研发、生产、销售于一体的高新科技专业化公司,产品广泛应用于家用电器、电机测试、码头船厂、航天航空、电力测试、进口设备、新能源等多种应用领域。   济南能华机电设备有限公司严格执行ISO9001:2001质量管理体系和GJB9001A-2001军工产品质量体系相关标准,始终坚持“以客户需求为导向,以产品质量为依托”,为客户提供快捷的行业解决方案,得到了各行业众多客户的高度赞扬。济南能华机电设备有限公司坚持“科技创新”为持续发展动力,依托“···

在线咨询在线咨询
咨询热线 0531-68684888


返回顶部