当前位置:首页>>资讯中心>>常见问题 » 高压直流模块电源(开关电源直流电源)三相交流电源
来源:网络
传统二极管整流问题
近年来,电子技术的发展,使得电路的工作电压越来越低、电流越来越大。 低电压工作有利于降低电路的整体功率消耗,但也给电源设计提出了新的难题。
开关电源的损耗主要由3部分组成: 功率开关管的损耗,高频变压器的损耗,输出端整流管的损耗。 在低电压、大电流输出的情况下,整流二极管的导通压降较高,输出端整流管的损耗尤为突出。 快恢复二极管(FRD)或超快恢复二极管(SRD)可达1.0~1.2V,即使采用低压降的肖特基二极管(SBD),也会产生大约0.6V的压降,这就导致整流损耗增大,电源效率降低。
问题举例
但设采用3.3V甚至1.8V或1.5V的供电电压,所消耗的电流可达20A。 此时超快恢复二极管的整流损耗已接近甚至超过电源输出功率的50%。 即使采用肖特基二极管,整流管上的损耗也会达到(18%~40%)PO,占电源总损耗的60%以上。 因此,传统的二极管整流电路已无法满足实现低电压、大电流开关电源高效率及小体积的需要,成为制约DC/DC变换器提高效率的瓶颈。
同步整流技术引言
在电源转换领域,输出直流电压不高的隔离式转换器都使用 MOSFET作为整流器件。 由於这些器件上的导通损耗较小,能够提高效率因而应用越来越广泛;
为了这种电路能够正常运作,必须对同步整流器(SR)加以控制,这是基本的要求。 同步整流器是用来取代二极管的,所以必须选择适当的方法,按照二极管的工作规律来驱动同步整流器。 驱动信号必须用PWM控制信号来形成,而PWM控制信号决定著开关型电路的不同状态。
同步整流器件的特点
同步整流技术就是采用低导通电阻的功率MOS管代替开关变换器快恢复二极管,起整流管的作用,从而达到降低整流损耗,提高效率的目的。通常,变换器的主开关管也采用功率MOS管,但是二者还是有一些差异的。
功率MOS管实际上是一个双向导电器件,由于工作原理的不同,而导致了其他一些方面的差异。 例如: 作为主开关的MOS管通常都是硬开关,因此要求开关速度快,以减小开关损耗; 而作为整流/续流用的同步MOS管,则要求MOS管具有低导通电阻、体二极管反向恢复电荷小、栅极电阻小和开关特性好等特点,因此,虽然两者都是MOS管,但是它们的工作特性和损耗机理并不一样,对它们的性能参数要求也不一样,认识这一点,对于如何正确选用MOS管是有益的。
同步整流的基本电路结构
同步整流是采用通态电阻极低的专用功率MOSFET,来取代整流二极管以降低整流损耗的一项新技术。 它能大大提高DC/DC变换器的效率并且不存在由肖特基势垒电压而造成的死区电压。 功率MOSFET属于电压控制型器件,它在导通时的伏安特性呈线性关系。 用功率MOSFET做整流器时,要求栅极电压必须与被整流电压的相位保持同步才能完成整流功能,故称之为同步整流。
工作方式的比较
传统的同步整流方案基本上都是PWM型同步整流,主开关与同步整流开关的驱动信号之间必须设置一定的死区时间,以避免交叉导通,因此,同步整流MOS管就存在体二极管导通和反向恢复等问题,从而降低同步整流电路的性能。
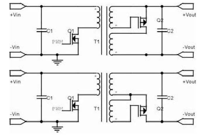
双端自激、隔离式同步整流电路
实际举例(反激同步整流设计 )
基本的反激电路结构

一种实际的外驱电路

增加驱动能力的外驱电路

由NMOSFET构成的反激同步整流自驱动电路结构

由PMOSFET构成的反激同步整流自驱动电路结构

反激同步整流驱动电路选择
同步整流管的驱动方式有三种: 第一种 是外加驱动控制电路,优点是其驱动波形的质量高,调试方便。 缺点是: 电路复杂,成本高,在追求小型化和低成本的今天只有研究价值,基本没有应用价值。 上图是简单的外驱电路,R1D1用于调整死区。 该电路的驱动能力较小,在同步整流管的Ciss较小时,可以使用。 图6是在图5的基础上增加副边推挽驱动电路的结构,可以驱动Ciss较大的MOSFET。 在输出电压低于5V时,需要增加驱动电路供电电源。
第二种 是自驱动同步整流。 优点是直接由变压器副边绕组驱动或在主变压器上加独立驱动绕组,电路简单、成本低和自适应驱动是主要优势,在商业化产品中广泛使用。 缺点是电路调试的柔性较少,在宽输入低压范围时,有些波形需要附加限幅整形电路才能满足驱动要求。 由于Vgs的正向驱动都正比于输出电压,调节驱动绕组的匝数可以确定比例系数,且输出电压都是很稳定的,所以驱动电压也很稳定。 比较麻烦的是负向电压可能会超标,需要在设计变压器变比时考虑驱动负压幅度。
第三种 是半自驱。 其驱动波形的上升或下降沿,一个是由主变压器提供的信号,另一个是独立的外驱动电路提供的信号。 上图是针对自驱的负压问题,用单独的放电回路,提供同步整流管的关断信号,避开了自驱动负压放电的电压超标问题。
济南能华机电设备有限公司是一家专业从事直流稳压电源、逆变电源、脉冲电源、高压电源、电力通信电源、开关电源、远供电源、充电机、程控变频电源、程控直流电源、大电流恒流源、码头岸电电源、军工电源、电力测试电源测试系统的研发、生产、销售于一体的高新科技专业化公司,产品广泛应用于家用电器、电机测试、码头船厂、航天航空、电力测试、进口设备、新能源等多种应用领域。 济南能华机电设备有限公司严格执行ISO9001:2001质量管理体系和GJB9001A-2001军工产品质量体系相关标准,始终坚持“以客户需求为导向,以产品质量为依托”,为客户提供快捷的行业解决方案,得到了各行业众多客户的高度赞扬。济南能华机电设备有限公司坚持“科技创新”为持续发展动力,依托“···