当前位置:首页>>资讯中心>>行业动态 » 电子铝箔腐蚀电源(直流电源变换器)24伏直流电源
摘要
浙江交通职业技术学院的研究人员张涛,在2018年第8期《电气技术》杂志上撰文指出,直流-直流变换器技术是电动汽车充电站的关键技术之一,得到广泛的研究。本文介绍了一种基于LLC谐振变换的全桥直流变换器,分析全桥谐振电路充电机工作的谐振频率,研究能够实现ZVS和ZCS的条件,介绍谐振电感和谐振电容的选择、主变压器的参数设计以及主要器件的参数影响。根据国标设计直流-直流充电机模块,进行试验验证,分析实验效果。
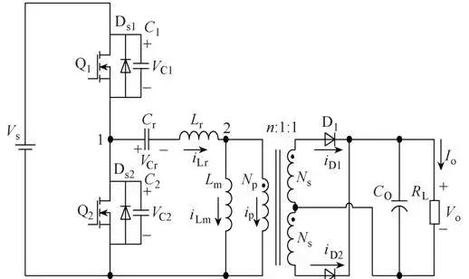
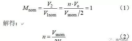
2017年我国的电动汽车销量达到77.7万辆,新能源汽车产业得到快速的发展,但也面临一些问题,例如充电桩的建设距离1∶1的配置比例还有较大距离等情况。直流快速充电桩能快速充电,是当前建设的重点,得到广泛的研究。研究热点包括模块化充电机技术、LLC谐振变化控制技术、三相APFC技术等方面[1]。在直流-直流变换器领域,多采用全桥隔离拓扑结构,大量应用移相全桥的软开关技 术[6],当前LLC谐振技术成为研究的热点,可以大大提高直流-直流变换器的效率[8]。全桥谐振直流-直流变换电路具有结构简单、效率高、功率大的特点。本文研究基于LLC谐振全桥直流-直流变换电路具体的参数设计过程,分析电路参数的影响,应用于实际产品的工程设计。1 充电机直流-直流变换器的特点直流充电桩的直流母线电压一般为800V,如果直接采用桥式变换电路,很难选取合适的开关管,为了设计方便和效率优化,系统中选取中点电压的参考电压,做了两个400V直流-直流的变换电路。DC-DC部分采用DSP控制,拓扑架构采用两个LLC全桥谐振变换电路原边串联,输出并联的方案,对于大电流的输出也可以利用同步整流技术整流。全桥谐振变换器对比半桥谐振变换器,多了一个桥臂,谐振电容、谐振电感和励磁电感构成谐振回路,励磁电感为隔离变压器的内部电感,半桥谐振电路如图1所示。传统LLC全桥谐振变换电路控制多采用模拟控制芯片实现,如UCC6599等,根据输出电压或电流误差大小控制移相角,实现稳定输出。数字控制的基本思路同传统模拟控制相同,差别是数字控制处理的是数字信号,并且可以方便的实现比较复杂的控制策略,不像模拟控制需要大量的外围线路。LLC全桥谐振变换电路变换器采用改进型主拓扑结构,利用辅助电感实现滞后臂的ZVS,其拓扑结构如图2所示。




结论本文根据直流快速充电机的技术要求,设计全桥谐振直流直流变换电路。采用LLC谐振的基本拓扑,分析全桥谐振变换器的工作特点,介绍实现ZVS和ZCS的工作过程,研究了全桥谐振变换器的变压器参数和谐振电感等参数的设计方法。设计试验样机,对比不同方案的效率,验证了基于谐振变换的全桥谐振直流-直流变换器的优点。
济南能华机电设备有限公司是一家专业从事直流稳压电源、逆变电源、脉冲电源、高压电源、电力通信电源、开关电源、远供电源、充电机、程控变频电源、程控直流电源、大电流恒流源、码头岸电电源、军工电源、电力测试电源测试系统的研发、生产、销售于一体的高新科技专业化公司,产品广泛应用于家用电器、电机测试、码头船厂、航天航空、电力测试、进口设备、新能源等多种应用领域。 济南能华机电设备有限公司严格执行ISO9001:2001质量管理体系和GJB9001A-2001军工产品质量体系相关标准,始终坚持“以客户需求为导向,以产品质量为依托”,为客户提供快捷的行业解决方案,得到了各行业众多客户的高度赞扬。济南能华机电设备有限公司坚持“科技创新”为持续发展动力,依托“···