欢迎浏览济南能华机电设备有限公司网站,公司是一家电源设备厂家,品质保障,欢迎咨询!

返回列表页

武汉直流电源并联(电阻的串、并联及识图知识。)

在家电产品的电路中,不可能为每个元器件都配备一个电源,因此,在实际应用中总是根据具体的情况把负载按适当的方式连接起来,达到合理利用电源或供电设备的目的。电路中常见的电阻连接方式有串联、并联两种。

一、电阻串联电路的识图方法

电阻串联电路是家电产品电路中常见的电路之一,在学习电阻串联电路识图时,首先对电阻串联电路的结构特点进行了解,然后通过对电阻串联电路结构的学习再进-步对识图方法进行学习。

①电阻串联电路的结构

电阻串联电路是指将两个以上的电阻依次首尾相接,组成中间无分支的电路,如下图所示。

在串联电路中,通过每个电阻的电流相同,同时,在串联电路中仅有一个电流通路。当开关打开或电路的某一点出现问题时,整个电路将变成断路。

在电阻串联电路中流过电阻的电流相同,电源分配到每个电阻上的电压与电阻成正比。例如,如果一个电路中有三个相同的电阻器串联在一起,那么每个电阻器将得到1/3的电源电压降,如下图所示。

由上图可知,每个串联的电阻器可分到的电压量与它自身的电阻值有关。串联 时,自身电阻较大的电阻器会得到较大的电压值:

电阻串联电路的特点如下:

电阻串联电路中,只有一条电流通路,且电路中电流处处相等:各个电阻上的电压之和等于电源电压。总电阻等于各电阻之和。

电阻串联电路的工作原理比较简单。在电路中串联一个电阻,就相当于总电阻值增大, 在供电电压不变的情况下,电路中的电流必然变小,保证了各器件的工作电流,最终达到整机电路正常工作的目的。如下图所示,已知发光二极管的额定电流为I=0.3mA, (a)为一只发光二极管工作在9V电压下的状态,图(b)为其串联一个电阻后的工作状态,图 (c)为电路的工作原理图。图 (c)中的电阻R即为图(b)中电阻和二极管串联后的等效总电阻。所谓等效,是指用R代替R1和Rl后,与原电路的效果相同。

②电阻串联电路的识图分析

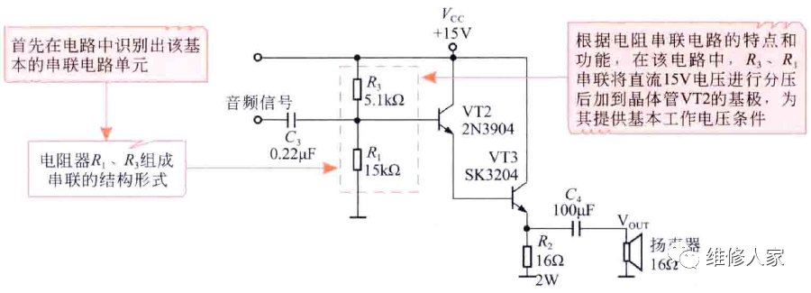
下面以简单的音频放大电路为例,对其中的电阻串联及整个电路进行识图分析。简单的音频放大电路的识图分析如下图所示。

根据串联电路了解到,直流15V电压,经串联电阻R3和R1分压后为晶体管基极提供直流电压;同时,15V直接加到晶体管VT2VT3的集电极,为晶体管提供集电极偏压。此时,来自前级电路中的音频信号经耦合电容C3加到晶体管VT2基极,经其放大后由发射极输岀,为VT3基级提供激励信号,再经晶体管VT3放大后,由其发射极输岀,最后经电容器C4耦合到扬声器上,驱动扬声器发出声音。

二、电阻并联电路的识图方法

将电阻进行并联后形成的电路应用在家电产品中,从而构成简单的电阻并联电路。在对电阻并联电路进行识图时,应先对电阻并联电路的结构进行学习,然后再进一步识读电阻并联电路。

①电阻并联电路的结构

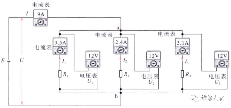
将两个或两个以上的电阻按首首和尾尾方式连接起来,并接在电路的两点之间,这种电路叫作电阻并联电路。下图所示为三个电阻并联电路結构。

在电阻并联电路中,各并联电阻两端的电压相同,如下图所示,电压表测得三 个并联电阻两端的电压相同,等于电源电压,干路上电流表的示数等于各支路电流表示数之和

电阻并联电路的特点如下:

电阻并联电路中,各并联电阻两端的电压都相等;电路的总电流等于各分支的电流之和;电路的等效电阻(总电阻)的倒数等于各并联电阻的倒数和。

电阻并联电路的工作原理即利用并联电路中总电阻总小于其中的单个电阻的特点进行设计的。将其并联的两个或多个电阻等效为一个电阻,计算其电流的值,如下图

由上图可知,电路中直流电机的额定电压6V,额定电流为100mA,内阻RM60Ω,当把一个60Ω的电阻R与之串联并接到10V电源两端后,根据欧姆定律计算得电流约为83mA,达不到电机的额定电流。在没有阻值更小的电阻器情况下,将一个 120Ω的电阻R2并联在R1上,根据并联电路中总电阻计算公式可得

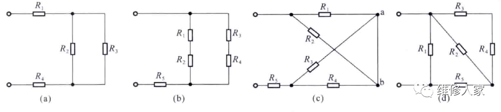
一个电路中,既有电阻串联又有电阻并联的电路称为电阻串并联电路,也叫混联电路。电阻串并联电路的形式很多,应用广泛。下图所示为几种电阻的串并联电路。

析这些电路的结构进一步简化串联电路、并联电路。首先,计算出并联部分的总电阻值,然后将并联部分的总电阻加上串联电路的电阻就得到了这个串并联电路的总电阻值。其他参数值也都可以计算出来了。

②电阻并联电路的识图分析

根据上述内容了解到,电阻并联电路是实用电子电路中的一个构成元素,因此对其进行识读时,可首先在电路中找到该基本单元,然后根据该电路的基本功能识读其在实用电路中的作用,这对整体识别整个电子产品电路至关重要。下 面以简单的彩色照明灯电路为例,来介绍一下简单电阻并联电路的识图分析。简单的彩色照明灯电路见下图:

通过上图可知,电阻器R1 (45Ω)R2(30Ω)并联使用,组成分流电路。6V直流电压经总开关K1后,再经电阻并联电路为不同颜色的指示灯进行供电,其中红色指示灯与R1串联,当开关K2接通时,指示灯发光;绿色和黄色指示灯与电阻器R2串联,当开关K3接通时,绿色和黄色指示灯发光,此时电阻R1R2处于并联状态。

电阻器在电路中的应用特性。

电阻、电容、电感等元器件拆装技巧与代换方法。

微波炉的整机结构及电路工作原理图。

空调电源电路图与实物器件的对应介绍。

关于我们

济南能华机电设备有限公司

    济南能华机电设备有限公司是一家专业从事直流稳压电源、逆变电源、脉冲电源、高压电源、电力通信电源、开关电源、远供电源、充电机、程控变频电源、程控直流电源、大电流恒流源、码头岸电电源、军工电源、电力测试电源测试系统的研发、生产、销售于一体的高新科技专业化公司,产品广泛应用于家用电器、电机测试、码头船厂、航天航空、电力测试、进口设备、新能源等多种应用领域。   济南能华机电设备有限公司严格执行ISO9001:2001质量管理体系和GJB9001A-2001军工产品质量体系相关标准,始终坚持“以客户需求为导向,以产品质量为依托”,为客户提供快捷的行业解决方案,得到了各行业众多客户的高度赞扬。济南能华机电设备有限公司坚持“科技创新”为持续发展动力,依托“···

在线咨询在线咨询
咨询热线 0531-68684888


返回顶部