欢迎浏览济南能华机电设备有限公司网站,公司是一家电源设备厂家,品质保障,欢迎咨询!

返回列表页

咸阳钨丝加热电源(交流直流电源)直流恒流电源

扫描下方二维码

加小编好友

邀请您进入技术讨论群

微信私聊小编自动推送资料

1、直流系统接地故障处理

2、变电站交直流系统及五防

3、变电站交流电源系统典型配置

4、变电站直流系统讲解

5、变电站直流系统异常分析和处理

6、查找变电站直流接地创新方法和实例分析

7、直流系统基础知识讲解

8、变电站直流接地系统接地形式及查找方法

9、直流系统的几个关键问题

10、直流系统基础及其异常分析与处理

11、直流系统接地故障处理及调试

12、直流系统及UPS系统培训

13、变电站交直流系统概述

14、直流屏的组成、巡检、常见故障及处理

15、变电站操作电源

16、直流操作电源的基本组成及其工作原理

17、铅酸蓄电池的充电热失控及爆炸风险

18、直流电源与交流电源系统

19、变电站交直流系统巡视

20、变电站站用电组成及异常分析

随着我国电网规模不断扩大,技术等级不断提高,电网技术实现新的跨越。直流电源装备水平实现了一体化、智能化,以满足保护自动装置、通信系统对后备应急电源的安全、稳定、可靠的需求。

电力系统中由于直流设备以及蓄电池故障导致的事故时有发生,严重的还造成了电网解列事故。

典型事故案例及措施案例一:蓄电池故障直流失电造成电网事故

2013年某电网因雷击,220kV滥坝变110kV两段母线相继三相故障,滥坝变110kV母差出口,跳开了5台110kV开关,由于变电站直流系统异常(充电机停、蓄电池异常、直流母线电压异常),站内其他断路器无法正常跳闸,越级至上级电源线路跳闸,导致220kV滥坝变全站失压。

检查滥坝变第一组81号、38号、99号,第二组68号、104号电池开路。

查该批电池的实际生产日期为2006年8月,距事件发生时间已近7年(质保期5年)。

蓄电池运行分析

阀控铅酸(valve regulated sealed lead-acid,VRLA)蓄电池在实际使用中,许多电池远未达到设计寿命,其主要原因是浮充状态下单体电池均一性差所造成的。而浮充状态下单体电池均一性差,就是单体电池自放电一致性差。长期浮充状态下运行的蓄电池,浮充电流是相同的,由于各个电池的自放电电流不同,有的电池过充、有的电池就欠充,最终势必造成个别过充电的电池失水,欠充电的电池硫化而过早失效,蓄电池容量下降。蓄电池故障大致包括极板膨胀、极板腐蚀、极板钝化、有效物质脱落、电解液干涸、极板短路、极板硫化几种情况。电池一旦失效,补救措施有限,不仅经济上受损失,还严重影响直流系统的可靠供电,甚至导致电网的安全可靠性下降。

案例二:交流混入直流造成电网事故

1996年某电厂因高压试验人员误将试验装置的交流电源线接错造成事故;由于交流混入直流系统,造成三条500kV线路的保护装置先后误动掉闸。沙电4台机组和下电机组跳闸。该地区电网系统振荡1min44s ,电网解列重大电网事故。

类似的交流窜入直流系统,造成的事故在电网中多次发生。

案例三:直流熔断器越级造成电网事故

1999年某变电站,#2变10kV侧B段配电室802开关(即#2主变10kV侧开关)的隔离刀闸8023下插头相间闪络发生3相短路。造成事故扩大的原因:直流消失、保护拒动。烧毁了#1主变150MVA等设备;部分110kV母线及部分220kV引线烧断;站内地网因过热绷断;变电站主控室着火并将大部分保护设备烧毁,事故殃及山西电网并波及到华北主网。

故障发生后大约10〞左右,开关柜所带的高电压经开关柜内控制和合闸电缆直接窜入主控室的直流回路,直流回路绝缘被击穿,短路,站用直流系统的控制母线直接短路,多处保险熔断,直流系统中的硅链被烧断,致使保护装置的直流电源及部分直流控制电源消失。同时导致主控室控制屏和保护屏放电起弧着火。

故障发生后大约23〞左右, 10kV配电室中电弧燃烧产生的大量高温游离气体冲出上部窗口及通风口,引起邻近的 110kV东母A相单相接地短路。由于此时直流电源已经消失,在故障转至110kV系统时,新店110kV母线保护及#1、#2主变的后备保护都没有动作。唯一的110kV联络线(向新线)二厂侧162开关LFP-941A接地阻抗II段及零序保护II段经0.5 〞正确动作跳闸,重合闸因不满足同期条件而未重合。

同样是由于直流电源已经消失,110kV母线A相故障时,新店变电站所有六条220kV线路保护均未发出高频闭锁信号,导致新店六条220kV出线对侧开关的CKF突变量快速方向保护超范围动作,A相跳闸。

经过单相重合闸时间,六条线路全部重合。其中,山侧两回线重合后加速零序过流保护动作三相跳闸由于本站所有保护不能出口跳闸,110kV东母A相接地持续7秒后,发展为110kV A、B两相接地短路。约5秒后,烧断新东线跨线绝缘子,A、B相引线跌落在西母,形成3相短路。110kV母线三相短路持续约4秒后,新店220kV母线发生A相接地故障,3.4秒后发展为AB两相接地故障,又经0.45秒故障发展为三相短路。

该站220kV母线三相短路2.6秒后,神头二厂#1机、大同二厂#5机、 #3机、阳光发电厂#2机、大同二厂#2机、#4机、#1机等相继掉闸。在该站220kV母线发生三相短路大约1分43秒后,220kV系统故障电流消失,系统电压恢复。事故期间最低频率为49.38Hz。

经验与教训:

站用直流系统的双重化及冗余互备;继电保护的双重化配置及后备保护配置、整定的合理性;站内接地的可靠性;直流断路器、熔断器级差配置的合理性。

案例四:直流系统失电造成电网事故

2012年运行中发现,某500kV变电站,500kVI回线主变保护、辅A、辅B保护控制装置电源空气开关跳闸,退出主变保护、辅A、辅B保护后,再次合上空气开关发生跳闸……设计安装接线缺陷,500kVI回辅A  RCS-925A保护装置的直流电源在设计中是I段直流电源接入, 500kVI回主变RCS-902D和辅B  RCS-925A两套保护装置的直流电源在设计中是II段直流电源接入,实际接线在载波机上三套保护装置正电源之间相互短接造成I、II两套直流系统‘手拉手’10V压差并列,产生较大环流造成空气开关误动跳闸…

两组电池,R1,R2,R3,R4是绝缘监测装置内部平衡电阻。

发生并列:400Ah蓄电池104只36mΩ,两套直流系统并列压差大于10V,产生约300A左右的环流,造成直流断路器跳开,保护失电!

运行中微机、集成电路、晶体管保护在运行中突然失去直流电源。可能由于直流保险熔断,突然失去直流电源,此时保护中的逻辑元件各级开关状态已被破坏,因此,在更换保险恢复供电前,应将该保护出口压板解除,并查明保险熔断原因,电源恢复后,逻辑元件工作正常,方可投入压板。

案例五:直流系统绝缘降低造成电网事故

发电厂、变电站的直流系统为控制、保护、信号和自动装置提供电源,直流系统的安全连续运行对保证发供电有着极大的重要性。由于直流系统为浮空制的不接地系统,如果发生两点接地,就可能引起上述装置误动、拒动,从而造成重大事故。因此当发生一点接地时,就应在保证直流系统正常供电的同时准确迅速地探测出接地点,排除接地故障,从而避免两点接地可能带来的危害。

由于直流系统接地、绝缘降低引起的电网事故很多。

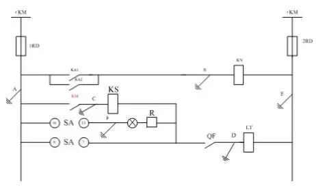
1、两点接地时易造成开关误跳如图所示,当发生A、B两点接地时,电流继电器KA1、KA2触点被短接,将使KM动作致开关跳闸;A、C两点接地,因KM触点被短接而跳闸;同理,在A、D两点,D、F两点等接地时都同样会造成开关跳闸。

2、两点接地时易造成开关拒跳如图所示,接地点发生在D、E两点,B、E两点或C、E两点,则开关可能会拒绝跳闸。

3、一点接地时一般认为短时危险性不大发生一极接地时,由于没有短路电流,熔断器不会熔断,仍可继续运行,但也必须及时发现、及时消除。

直流系统如果仅仅是一点接地,对二次回路不会造成事故,如果有两点接地,就可能发生断路器误动或拒动。就动作的实际情况看,当直流系统监测回路发出预告信号报警,显示该系统接地,可以断定,直流系统的接地故障已经造成了断路器可能发生误跳或拒跳的事故隐患,应立即排除。

•重视一点接地

电力系统以往的教科书或技术问答,都强调,若发生一点接地时,仍可继续运行,但必须及时发现、及时消除,以免当发生两点接地时,可能使断路器误动或拒动。但根据现场实际运行经验,由于直流系统正、负极对地分布电容的存在,直流系统负极一点接地,同样可能导致开关误跳闸。目前,对直流系统负极一点接地致开关误跳闸的情况,还没有引起电力系统各级人员的高度重视,实际工作中未见有防止一点接地的明确的危险点预控措施,更很少见对此类问题的专题研究,更不必说对各类保护、自动装置及开关采取相关的反事故措施。

•分布电容问题引起重视

由于直流回路中电容自放电引起出口中间继电器误动的情况在大型变电站显得较为突出。直流系统的对地分布电容情况是直流系统越大,回路越复杂,所接设备越多,系统呈现的对地分布电容越大;变电所投运时间越长,分布电容越大;静态型保护装置越多,分布电容也越大。要从根本上解决直流一点接地时因分布电容放电引起开关跳闸的问题。

手拉手问题。两段异极相联,两段电压相同:

由于仿真器原因,-28.42V应为0V。I段的直流系统“+”对地绝缘降低为0,II段“-”对地为0

查重点击下方“论文”链接

论文

《职称论文查重》

  帮助不会查重的朋友查重

  评职称的论文撰写建议

本文为分享,版权归原作者所有。如有异议,请及时联系,小编会立即将本文删除。

更多资料点击“阅读原文”↙↙

关于我们

济南能华机电设备有限公司

    济南能华机电设备有限公司是一家专业从事直流稳压电源、逆变电源、脉冲电源、高压电源、电力通信电源、开关电源、远供电源、充电机、程控变频电源、程控直流电源、大电流恒流源、码头岸电电源、军工电源、电力测试电源测试系统的研发、生产、销售于一体的高新科技专业化公司,产品广泛应用于家用电器、电机测试、码头船厂、航天航空、电力测试、进口设备、新能源等多种应用领域。   济南能华机电设备有限公司严格执行ISO9001:2001质量管理体系和GJB9001A-2001军工产品质量体系相关标准,始终坚持“以客户需求为导向,以产品质量为依托”,为客户提供快捷的行业解决方案,得到了各行业众多客户的高度赞扬。济南能华机电设备有限公司坚持“科技创新”为持续发展动力,依托“···

在线咨询在线咨询
咨询热线 0531-68684888


返回顶部