欢迎浏览济南能华机电设备有限公司网站,公司是一家电源设备厂家,品质保障,欢迎咨询!

返回列表页

737NG 直流电源(微型直流电源)

关闭
观看更多
更多
正在加载
正在加载
退出全屏

视频加载失败,请刷新页面再试

刷新
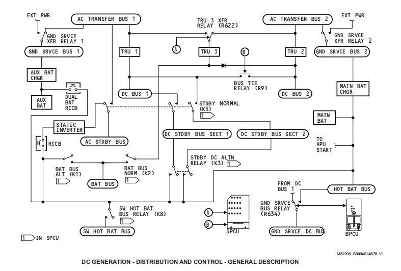
DC GENERATION直流电系统产生并控制28V直流电源供飞机使用。

直流电有以下两个子系统:

直流电系统

备用电系统

直流电源系统是一个双线系统,电压一般为28V。飞机上直流电一般有下列几个电源来源:

三个变压整流器

电瓶充电机

电瓶

直流电源的来源正常情况下来自于交流系统,如果交流系统不可用,此时电瓶提供电源。

直流电的分配与控制

一般情况下变压整流器是直流电源系统的主要来源,变压整流器得到115V交流电将其转化为28V直流电。当飞机有冷却气流时每一个TRU能提供近75安培的电流,三个TRU并列连接彼此备份。

TRU1从交流转换汇流条1得电,其输出直接给直流汇流条1;TRU2从交流转换汇流条2得电,其输出直接给直流汇流条2;TRU3通常从交流转换汇流条2得电,当TRU3无法从交流转换汇流条2得电时R622被激励,此时TRU3从交流转换汇流条1得到备用电源。TRU3的主要作用是给电瓶汇流条供电。

电瓶充电机从交流地面汇流条2得到电源,地面服务汇流条2从交流转换汇流条2得到电源,电瓶充电机是热电瓶和转换热电瓶汇流条的基本电源供应。

以下电门和部件控制直流电分配中的继电器:

备用电源控制组件(SPCU)

汇流条控制组件(BPCU)

电瓶电门

备用电源电门

备用电源控制组件 SPCU:

SPCU给DC分配系统中的大多数继电器提供人工和自动控制。SPCU使用电瓶和备用电源电门位置来控制继电器,SPCU也监控AC和DC汇流条的电源来控制继电器进行主要和次要电源的选择。

以下继电器在SPCU内部:

电瓶汇流条正常继电器 K2

电瓶汇流条辅助继电器 K1

备用正常继电器 K5

备用直流辅助继电器 K3

转换热电瓶汇流条继电器 K8

汇流条电源控制组件 BPCU:

BPCU控制地面服务汇流条继电器

电瓶汇流条正常继电器 K2:

电瓶汇流条正常继电器K2被激励来使得电瓶汇流条从TRU3得电。

电瓶汇流条辅助继电器 K1:

电瓶汇流条备用继电器K1被激励来使得电瓶汇流条从电瓶或者电瓶充电机得电。当以下情况发生时,继电器被激励:

电瓶电门在ON位

TRU3没有电源

当备用电源电门扳到BAT位时,K1同样也被激励。

备用正常继电器 K5:

备用正常继电器K5被激励来使得直流备用汇流条从直流汇流条1得电,当该继电器被激励时,交流备用汇流条也将从交流汇流条1得到电。当以下情况发生时,K5继电器被激励:

备用电源电门在AUTO位

直流汇流条1和交流转换汇流条1有电

当K5断开时,交流备用汇流条从静变流机得到电源。

备用直流电辅助继电器 K3:

备用直流可替换继电器K3被激励来使得直流备用汇流条从电瓶得电,当以下情况发生时,该继电器被激励:

备用电源电门在AUTO位

任何一个或者两个直流汇流条1和交流转换汇流条1没有电源

当备用电源电门在BAT位时,K3继电器也被激励如果直流汇流条1和交流转换汇流条1有电或者备用电源电门被放在OFF位时,K3断开。

转换热电瓶汇流条继电器 K8:

电门热电瓶汇流条继电器K8被激励来使得电门热电瓶汇流条从电瓶或者电瓶充电机得电。

当电瓶电门在ON位时,K8被激励。

当airstairs手柄在备用位时,K8也被激励。

其他继电器:

这些继电器控制直流电源分配,在SPCU之外电瓶充电机抑制继电器R325TRU3转换继电器R622直流汇流条连接继电器R9直流地面服务继电器R634SPCU控制除直流地面服务继电器之外的所有继电器,BPCU控制地面服务继电器。

电瓶充电机抑制继电器R325:

电瓶充电机抑制继电器R325被激励来移去充电机的电源供应,这可以保护充电机防止其过载。当以下任意条件发生时,SPCU激励R325:

APU启动

电瓶内部的温度超过了限制

TRU3转换继电器R622:

TRU3转换继电器R622控制TRU3的电源来源。当交流转换汇流条2失去电源的时候,该继电器被激励使得TRU3从交流转换汇流条1得电。当以下情况都发生时,R622被激励:

汇流条转换电门在AUTO位

交流转换汇流条1有电

交流转换汇流条2没电 

直流汇流条连接继电器R9:

该继电器激励来使得直流汇流条1和直流汇流条2连接,当以下所有情况发生时,继电器被激励:

汇流条转换继电器在AUTO位

交流转换汇流条1或者交流转换汇流条2有电

自动驾驶系统不在glideslope capture近进模式

当以上任意情况不符合时,继电器断开。

地面服务汇流条继电器R634:

地面服务汇流条继电器R634控制地面服务直流汇流条的电源选择。当摁压前乘务面板上的地面服务电门时,BPCU使得该继电器激励,此时地面服务直流汇流条从28V热电瓶汇流条得电。当继电器不被激励时,地面服务直流汇流条从直流汇流条1得电。

静变流机远程控制断路器 RCCB:

静变流机远程控制断路器RCCB连接电瓶电源至静变流机。该断路器在J9接线盒中,当SPCU给RCCB一个闭合指令时,静变流机RCCB闭合,此时,静变流机获得电源。当以下任一情况发生时,SPCU闭合RCCB:

电瓶电门在ON位

备用电源电门在BAT位

RCCB一般处于闭合状态。RCCB位置指示:断开(绿色),闭合(红色)。

双电瓶远程控制断路器 RCCB:

当双电瓶RCCB闭合时,辅助电瓶、辅助电瓶充电机和主电瓶、主电瓶充电机连接一起,双电瓶RCCB通常时断开的。直流电人工控制和指示:直流电人工控制在驾驶舱P5顶板上以及前乘务板,直流电指示在P5顶板上。

仪表、电瓶和厨房电源组件P5-13:

在P5-13模块上有以下指示:

电瓶放电灯

TR UNIT灯

ELEC灯

LED显示屏

当直流电系统中存在故障时相应的灯点亮,可以通过直流仪表选择器和LED显示屏来查看直流系统数据。

发电机驱动和备用电源模块P5-5:

P5-5提供备用电源系统的人工控制和指示。备用电源电门提供直流和交流备用汇流条的人工控制。当电瓶电门在ON位,如果备用汇流条挥着电瓶汇流条没有被激励的话,STANDBY PWR OFF灯点亮。 

前乘务面板:

地面服务电门在前乘务面板上,通过这个电门可以激励交流和直流地面服务汇流条使其通过外电源得电。

部件位置:

 DC GENERATION SYSTEM

直流电源系统为不同的负载提供28V直流电,直流系统的电源一般来自于交流系统,如果交流系统不可用,则电瓶为直流系统提供电源。

SPCU、电瓶电门、备用电瓶电门给直流系统提供基本的控制,其中电瓶电门、备用电瓶电门为直流系统的某些汇流条提供人工控制;SPCU为直流汇流条提供自动控制和保护,它使用来自驾驶舱的输入和系统监控来控制直流电源供应和分配。直流电源分配系统在电源分配面板PDPs和SPCU中。

双电瓶

单电瓶

直流电系统有下列部件:

电瓶

电瓶充电机

TRU(3)

TRU:

变压整流器TRU改变115V,400Hz的三相交流电为28V直流电来给主直流系统负载提供电源。

直流电系统有3个TRU,每个TRU在有冷却空气的情况下能够提供连续的75A的输出,在对流冷却气流中可以提供50A的电流。TRU没有外部控制,三个TRU的件号是相同的。

可以通过P5-13来监控TRU的输出电压,当把直流仪表选择旋钮选择在TRU位时,TRU的输出电压和电流便显示在显示屏上。

当TRU出现故障时,琥珀色的TR UNIT点亮,当以下任一情况发生时,该灯点亮:

在地面,任一TRU故障

在空中,TRU1故障

在空中,TRU2和TRU3故障 电瓶充电机(双电瓶):主电瓶充电机有两个功能:

使主电瓶保持充满电状态

为电瓶汇流条提供直流电源 

辅助电瓶充电机保持辅助电瓶在最大的充电状态。

两个电瓶充电机有相同的件号,每一个电瓶充电机有以下两个基本的操作模式:

电瓶充电模式(恒流和恒压)

变压整流模式(恒压)

在最初的充电模式下,每一个电瓶充电机提供恒定的电流、变化的电压,当达到过渡电压值时,电瓶充电机以恒定的电压、变化的电流给电瓶提供过充,电瓶充电机逻辑计算过充量,总的充电时间小于180分钟。

在变压整流模式下,主电瓶充电机提供直流恒压给热电瓶汇流条和转换热电瓶汇流条。主电瓶同时得到涓涓细流来保持其处于最大的充电量。在两种模式中的任一模式下,辅助电瓶充电机都不会为直流汇流条提供电源。然而当辅助电瓶充电机在变压整流模式下,辅助电瓶可以得到小电流充电。每个电瓶充电机获得三相115交流电,将其转换成直流电。通常,每一个电瓶充电机在变压整流模式,在这种模式下,电瓶充电机提供一个恒定的电压以及高达65A的电流输出。当电瓶电压低于23V时,电瓶充电机进入充电模式。在这种模式下,充电机提供恒定的电流,输出电压是变化的。在充电期间,电瓶电压上升直到电压达到过渡电压。在充电伊始,电瓶充电机逻辑使用电瓶的温度来计算过渡电压,然后计算过充阶段的时长。过充阶段之后,电瓶充电机进入变压整流模式,输出27.5V的恒定直流电压。电瓶在这种模式下,接收到涓涓细流。当以下任一情况发生时,电瓶充电机再次进入充电模式:

电瓶充电机的输入电源断开超过1S

电瓶电压低于23V

在以下任一情况下,主电瓶充电机无法进入充电模式:

加油站盖板打开

APU启动

备用电源电门(P5-5)在BAT位

备用电源电门(P5-5)在AUTO位,电瓶电门在ON位,直流汇流条1和交流转换汇流条1没有电

电瓶过热

在以下任一情况下,辅助电瓶充电机不能进入充电模式:

备用电源电门(P5-5)在BAT位

备用电瓶电门(P5-5)在AUTO位,电瓶电门在ON位并且DC BUS 1和交流转换汇流条1没有电

备用电瓶过热

在每个电瓶充电机前面板有两个绿色的LED状态灯,一个指示电瓶充电机,一个指示电瓶,当电瓶和电瓶充电机都在工作时,这两个灯点亮。当下述任意一个部件存在故障时,一个或者两个状态灯熄灭:

电瓶充电机

电瓶

连接线

当下述任一情形发生时两个灯熄灭:

电瓶充电机的输入电源丢失,或者

电瓶充电器的输入电压低于94V超过0.5S

当以下情况任一发生时,电瓶充电机的状态指示灯保持亮,电瓶状态指示熄灭:

电瓶充电机发现其与电瓶的连接断开

电瓶过热

电瓶温度传感器断开或者短路

在时限内,电瓶无法充电

电瓶电压低于限制

当下述情况发生时,电瓶充电机的状态灯熄灭,电瓶的状态灯保持点亮:

电瓶充电机内部故障

电瓶充电机的故障信息也会在P5-13 BITE时显示。电瓶:(单电瓶)电瓶的功用:

如果飞机上正常的电源不可用的时候,电瓶便给飞机重要的系统提供电源(交流和直流备用汇流条)

交流系统控制和保护的备用电源

APU的启动电源

电瓶是20个镍铬电池组成的有36安培小时容量的电池组。当充分充电之后,电瓶可以提供至少30分钟的备用交流和直流电源。

电瓶内部有一个热电门,当电瓶温度超过限制时,这个电门闭合。有的飞机电瓶有一个内部热传感器,电瓶充电机使用这个传感器来测量内部电瓶温度。

可以通过P5-13上的仪表、电瓶和厨房电源模块来监控电瓶的输出。当将直流选择器旋钮选择在BAT位时,能看到电瓶的电压和电流的输出。如果电瓶充电机有电,电瓶和充电机哪个的电压高,仪表上便显示哪个的电压。

当以下任一一个电瓶输出情况发生时,琥珀色的BAT DISCHARGE灯点亮:

电瓶以超过5A的电流放电95S

电瓶以超过15A的电流放电超过25S

电瓶以超过100A的电流放电超过1.2S

电瓶放电灯点亮时,主警告灯和警告牌上的ELEC灯也点亮。当电瓶输出电流降低到限制以下超过1S时,该灯熄灭。在直流电启动APU时,主警告灯和警告牌上的ELEC灯不亮。

单电瓶

(双电瓶)主电瓶有以下功能:

如果飞机上正常的电源不可用的时候,主电瓶便给飞机重要的系统提供电源(交流和直流备用汇流条)

交流系统控制和保护的备用电源

APU的启动电源

辅助电瓶帮助主电瓶提供电源给飞机的重要系统(AC和DC备用汇流条),每一个电瓶是20个镍铬电池组成的有48安培小时容量的电池组。当充分充电之后,双电瓶可以提供至少60分钟的备用交流和直流电源。每一个电瓶有一个内部热传感器,充电机使用这个传感器来测量内部电池的温度。(其他内容同单电瓶)

双电瓶

双电瓶RCCB:

双电瓶RCCB通常情况下是断开的,当SPCU给其一个闭合信号时,RCCB闭合,它会使得主电瓶和备用电瓶同时给备用系统供电。当以下情况发生时,RCCB闭合:

APU电门不在启动位,并且

继电器K1或者K3被激励

当其闭合时,双电瓶RCCB从备用电瓶或者备用电瓶充电机获得电源,把它们分配给28V直流电瓶BUS BAR。

在APU启动过程中,ECU给SPCU发送一个信号,这使得SPCU内部的逻辑来断开双电瓶RCCB。

如果TRU3故障并且备用电源电门在AUTO位,继电器K1会闭合;当交流转换汇流条1或者直流汇流条1失去电源时,继电器K3闭合;当备用电源电门在BAT位时,两个继电器都闭合。

当直流电源启动APU时,SPCU逻辑隔离电瓶的输出,SPCU逻辑不会让直流APU启动断开RCCB,RCCB远程电路断路器在SPCU前边,如果它断开的话必须人工关闭。当RCCB远程电路断路器在断开位时,双电瓶RCCB将不会闭合,就不能使两个电瓶一起工作,在这种情况下,60分钟的备用电源时不可用的。

RCCB在J9接线盒里。RCCB的位置指示,断开(绿色),闭合(红色)。

热电瓶汇流条电源:热电瓶汇流条电源汇流条通过J9电瓶架上的28V BUS BAR得到直流电源。在SPCU中有一个电路断路器允许电源供往该汇流条。在正常电源供应中,28V直流电瓶汇流条从主电瓶或者主电瓶充电机得到直流电源,在备用电源中,28V直流电瓶汇流条从主电瓶和辅助电瓶得电。

转换热电瓶汇流条电源:

转换热电瓶汇流条通过SPCU中的一个电路断路器及K8继电器从28V直流BUS BAR得到电源。为了让转换热电瓶汇流条得到电源,电瓶电门必须在ON位,当电瓶电门在ON位时,K8转换热电瓶汇流条继电器闭合并且提供直流电给汇流条。With the forward airstair option, the K8 relay closes when the airstair handle is put in the standby position.K8继电器从28V直流BUS BAR给SPCU直流电源供应。

电瓶汇流条电源:

电瓶汇流条通过28V直流电瓶BUS BAR或者TRU3得到电源。

当以下所有情况发生时,电瓶汇流条正常继电器K2闭合并且通过TRU3给电瓶汇流条供电:

电瓶电门在ON位

备用电瓶电门不在BAT位

TRU3得到超过18V的电压超过0.15S

当K2继电器闭合时,电瓶汇流条备用继电器K1必须保持断开。

在下述情况下,K1电瓶汇流条备用继电器闭合并给电瓶汇流条供电:

电瓶电门在ON位并且TRU3没有电源(小于18V)超过0.1S,或者

备用电源电门在BAT位。STANDBY POWER SYSTEM备用电源系统提供一个常规的28V直流电和单相115V交流电给飞行安全必须的重要汇流条。

正常情况下,备用电源系统提供一个28V直流电给以下汇流条:

电瓶

直流备用

转换热电瓶

在不正常情况下,备用电源系统提供单相、115V交流、400Hz电源给交流备用汇流条。电瓶和备用汇流条给飞机重要系统提供电源,当没有交流电源时,备用系统也给地面操作提供电源。

SPCU为电瓶和备用汇流条提工自动和人工控制,SPCU通过下面的内部继电器来控制电源分配:

电瓶汇流条备用继电器K1

电瓶汇流条正常继电器K2

备用直流备份继电器K3

备用正常继电器K5

转换热电瓶汇流条继电器K8

SPCU监控备用电源系统故障,SPCU发送故障数据给下述部件,ELEC灯点亮:

仪表显示

电瓶

厨房电源模块(P5-13)

可以使用P5-13面板上的BITE功能来查看故障数据。

如果下述汇流条中,任意一个失去电源,P5-5发电机驱动和备用电源模块上的琥珀色STANDBY PWR OFF灯点亮:

交流备用汇流条

直流备用汇流条

电瓶汇流条(当电瓶电门在ON位)

当正常供电系统不可用时,单电瓶提供至少30分钟的直流和交流电,主电瓶和辅助电瓶提供至少60分钟的交流和直流电。电瓶提供直流电给直流备用汇流条和电瓶汇流条,电瓶通过静变流机产生交流电供交流备用汇流条使用。逆变器通过J9里的RCCB得到直流电源,RCCB在通常情况下处于闭合位,因此静变流机一般都会有电,这可以使得工作者在P5-13面板上监控静变流机的输出,RCCB在断开位时为绿色,在闭合位时是红色。 

单电瓶双电瓶

SPCU

SPCU为电瓶和备用汇流条提供人工和自动的电源来源选择。SPCU提供直流系统的故障信息给仪表、电瓶和厨房电源模块P5-13,SPCU同时控制电系统中的一些电源分配继电器。SPCU监控电瓶和备用电源电门的位置,亦监控交流、直流和电瓶汇流条来控制以下汇流条连接到正确的电源供应:

电瓶汇流条

转换热电瓶汇流条

交流备用汇流条

直流备用汇流条

SPCU通过以下内部继电器控制电源分配:

电瓶汇流条正常继电器K2

电瓶汇流条备用继电器K1

备用正常继电器K5

备用直流辅助继电器K3

电门热电瓶汇流条继电器K8

SPCU监控和发送备用电源系统控制和继电器故障数据给P5-13,故障有以下:

SPCU故障(电源供应或者继电器没有在正确的位置)

电瓶充电机不能工作

SPCU通过下边的继电器控制电源分配:

电瓶充电机继电器R325

TRU3转换继电器R622

BUS TIE继电器R9

SPCU前面板上有跳开关,这些跳开关是汇流条分区和指示跳开关。

静变流机:

静变流机是交流备用汇流条的备份电源来源。交流转换汇流条1是正常的电源来源 。静变流机使用直流电源来给备用负载提供115V、400Hz单相交流电。任何时候,当BAT电门在ON位或者备用电源电门在BAT位,静变流机便有输入电源。交流备用汇流条通常从交流转换汇流条1得到电源。当转换汇流条1没电或者当把备用电源电门打到BAT位,SPCU就发送一个指令给静变流机来提供电源。静变流机的电源通过SPCU送达交流备用汇流条。静变流机故障会导致琥珀色的ELEC灯点亮,此时可以通过BITE来查看具体信息。

静变流机RCCB

静变流机远程控制断路器RCCB连接电瓶电源至静变流机。该断路器在J9接线盒中,当SPCU给RCCB一个闭合指令时,静变流机RCCB闭合,此时,静变流机获得电源。当以下任一情况发生时,SPCU闭合RCCB:

电瓶电门在ON位

备用电源电门在BAT位

RCCB一般处于闭合状态。RCCB位置指示:断开(绿色),闭合(红色)。

STANDBY POWR:

当电瓶电门在ON位并且备用电源电门在AUTO或者BAT位时,交流备用汇流条有电。交流备用汇流条的电源来源一般为交流转换汇流条1,辅助电源来源是热电瓶汇流条和静变流机。静变流机使用电瓶24V直流电将其转换为115V,400Hz单相电源。当电瓶电门在ON位并且备用电源电门在AUTO或者BAT位时,直流备用汇流条有电。直流备用汇流条的电源来源一般为直流汇流条1,辅助电源为通过K3继电器从热电瓶汇流条得电。

备用电源系统使用以下控制:

电瓶电门

备用电源电门

备用电源控制组件SPCU

备用电源系统总是使用以下部件和继电器为直流和交流备用汇流条提供电源:

静变流机

RCCB

K5备用正常继电器

K3备用辅助继电器

备用电源逻辑:当人工闭合电瓶电门并且备用电源电门在AUTO位,交流和直流备用汇流条有电,电瓶电门给SPCU信号闭合RCCB来给静变流机提供电源,逆变器然后给交流备用汇流条提供电源。SPCU逻辑提供电源给交流和直流备用汇流条,当转换汇流条1和直流汇流条1都有电时,K5激励给备用汇流条供电。如果任一转换汇流条1或者直流汇流条1没有电时,K5断开。在这种情况下,静变流机给交流备用汇流条供电。

当K3激励时,直流备用汇流条从热电瓶汇流条。当以下情况均发生时,K3激励:

电瓶电门在ON位

备用电源电门在AUTO位

交流转换汇流条1和/或直流汇流条1失去电源

K3同样在备用电源电门在BAT位时激励,这种情况在电瓶电门在任一位置时都会发生。

当备用电源电门在OFF位时,交流和直流备用汇流条均会失去电源,RCCB、K3和K5没有得到信号,因此没有电源供往备用汇流条。

SPCU还有其他的继电器控制直流电源:

电瓶汇流条正常继电器K2

电瓶汇流条辅助继电器K1

转换热电瓶汇流条继电器K8

备用电源系统指示:

STANDBY PWR OFF灯指示备用电源系统汇流条没有电,ELEC灯点亮表示备用电源系统有一个故障。

STANDBY PWR OFF灯:

该灯位于P5-5面板上,当以下任一汇流条出现低压情况时,琥珀色的灯光点亮:

交流备用汇流条

直流备用汇流条

电瓶汇流条

当交流备用汇流条电压低于100V超过2S,交流低压状况发生

当直流汇流条电压低于17.5V超过2S,直流低压状况发生

P5-13为STANDBY PWR OFF灯提供一个接地,主警告灯和警告牌上的ELEC灯也点亮。

ELEC灯:

ELEC灯在P5-13面板,当面板内部或者电系统出现故障时,该灯点亮,同时主警告灯和警告牌上的ELEC灯也点亮。SPCU监控备用电源系统的部件,当以下任一情况发生时,SPCU使得ELEC灯点亮:

SPCU内部继电器故障

SPCU电源供应故障

SPCU内部电路卡故障

静变流机电压输出小于100V超过2S,并且有一个静变流机从SPCU控制逻辑得到指令。

SPCU内部继电器是电系统分配的重要部件,以下是SPCU监控的内部继电器:

电瓶汇流条辅助继电器K1

电瓶汇流条正常继电器K2

转换热电瓶汇流条继电器K8

备用直流辅助继电器K3

备用正常继电器K5 

可以使用MAINT电门来查看导致ELEC灯亮的故障信息。

STANDBY PWR OFF灯:

该灯位于P5-5面板上,当以下任一汇流条出现低压情况时,琥珀色的灯光点亮:

交流备用汇流条

直流备用汇流条

电瓶汇流条

当交流备用汇流条电压低于100V超过2S,交流低压状况发生

当直流汇流条电压低于17.5V超过2S,直流低压状况发生

P5-13为STANDBY PWR OFF灯提供一个接地,主警告灯和警告牌上的ELEC灯也点亮。

来自:机务蓝

更多学习信息

培 训 信 息

一、10月31日,民用航空器维修方案高级研讨班点击链接查看详情:https://mp.weixin.qq.com/s/70bYAf65i4opeSg79gCB-A二、12月12日,民航发动机维修工程基础及履历文件培训研讨班点击链接查看详情:https://mp.weixin.qq.com/s/A0A_taDTLzsu2FC0IRXSRA三、11月2日,危险品航材管理培训研讨班点击链接查看详情:https://mp.weixin.qq.com/s/79dluij7fzFqV2jv3UmwIQ四、11月21-22日航空资产处置与飞机拆解项目管理培训班点击链接查看详情:https://mp.weixin.qq.com/s/q6RMUZFar4jn7hMJmiuucg五、12月4日,航空企业内审员高级培训研讨班点击链接查看详情:https://mp.weixin.qq.com/s/JmuV6-XFItWwHf2uuqW9lA招 人 信 息一、学历教育招生,高升专,专升本点击链接查看详情:https://mp.weixin.qq.com/s/kKejl3suyeY5QoMd4mJ1Ow学 习 素 材一、民航飞机类电子书大全点击链接查看详情:https://mp.weixin.qq.com/s/GBbHO1Q9vSI6A85Gnvtjeg二、航空维修专题类讲座语音选听点击链接查看详情:https://mp.weixin.qq.com/s/me4tIlr1bobPeujIfWjGfQ

三、航空维修汇编读本订阅

点击链接查看详情:https://mp.weixin.qq.com/s/ykocUuhd_4JYVaN-Bd4IYQ

关于我们

济南能华机电设备有限公司

    济南能华机电设备有限公司是一家专业从事直流稳压电源、逆变电源、脉冲电源、高压电源、电力通信电源、开关电源、远供电源、充电机、程控变频电源、程控直流电源、大电流恒流源、码头岸电电源、军工电源、电力测试电源测试系统的研发、生产、销售于一体的高新科技专业化公司,产品广泛应用于家用电器、电机测试、码头船厂、航天航空、电力测试、进口设备、新能源等多种应用领域。   济南能华机电设备有限公司严格执行ISO9001:2001质量管理体系和GJB9001A-2001军工产品质量体系相关标准,始终坚持“以客户需求为导向,以产品质量为依托”,为客户提供快捷的行业解决方案,得到了各行业众多客户的高度赞扬。济南能华机电设备有限公司坚持“科技创新”为持续发展动力,依托“···

在线咨询在线咨询
咨询热线 0531-68684888


返回顶部